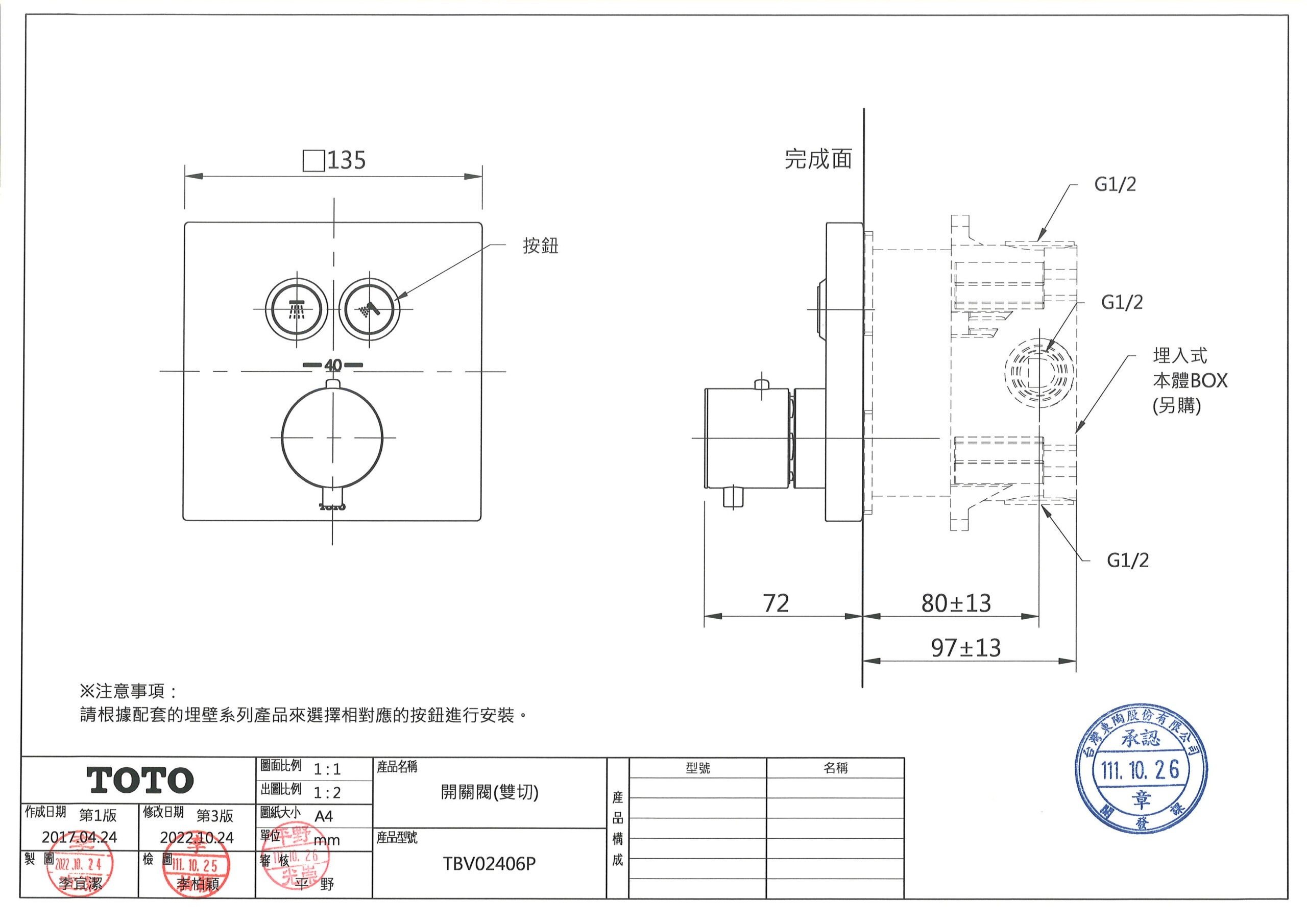
產品型號 TBV02406P
相關商品
通用埋壁盒 TBN01001P
- 備 註#PN、#BN、#PFG、#BFG、#PBR、#BBR、#MBL $52,100
- 備 註#PN、#BN、#PFG、#BFG、#PBR、#BBR、#MBL 為期貨品

SMA控溫技術- TOTO 記憶合金線圈能更即時的偵測水溫變化,對熱水的反應時間相較一般蠟製線圈,約達6倍快的速度 (一般家庭用水比較效果)。瞭解詳情

通用埋壁盒- 通用埋壁盒能大幅增加埋壁式淋浴組在安裝上的靈活度,統一內嵌式水龍頭的外型尺寸,打造衛浴空間的平衡與美觀。瞭解詳情

TOTO沐浴龍頭尺寸圖













