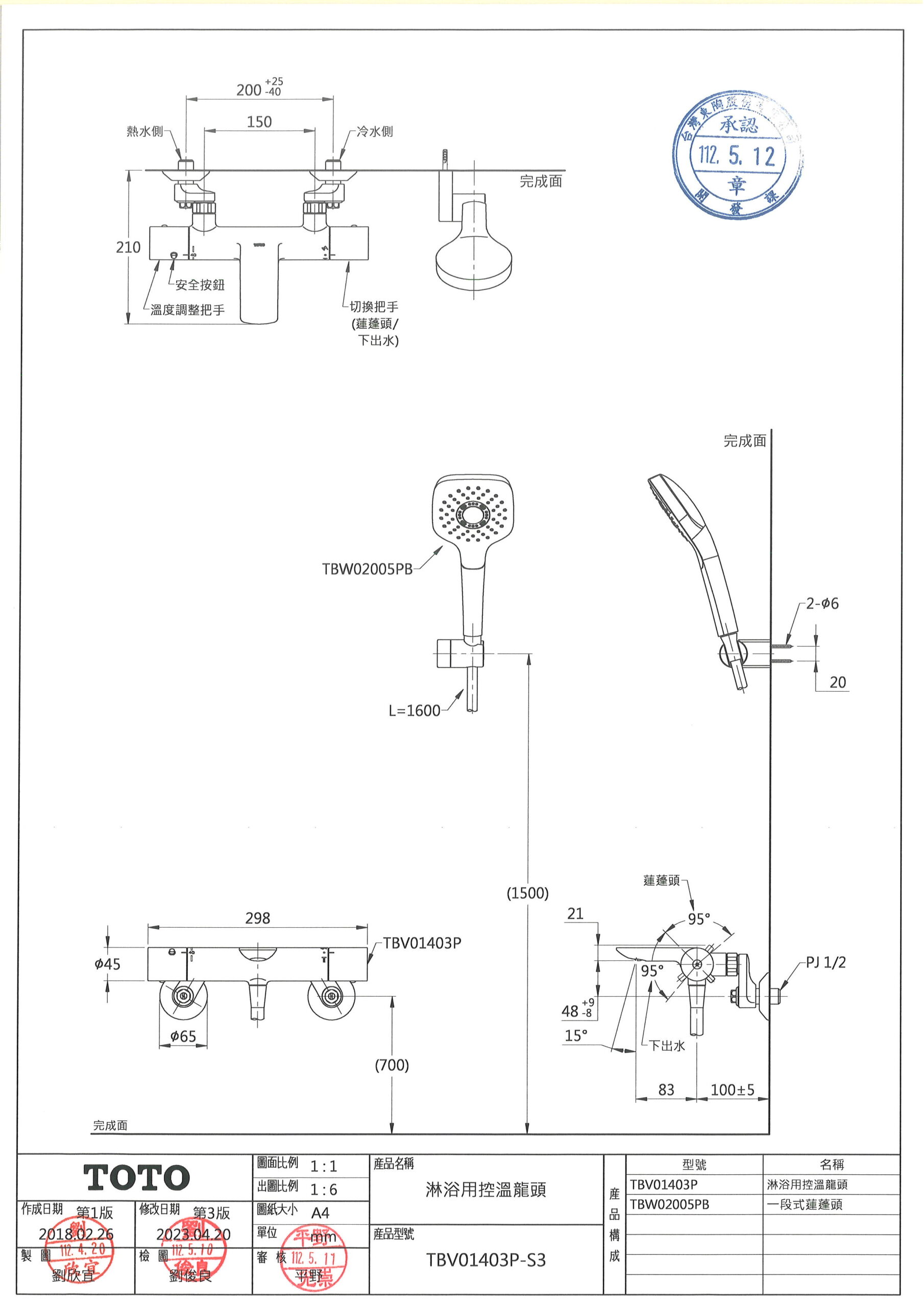
系列名稱 G相關
產品型號TBV01403P-S3
- 備 註搭配ㄧ段式蓮蓬頭
- 備 註蓮蓬頭取得省水標章
產品技術與特色
- 龍頭搭載SMA控溫技術,能調節水溫,防止水溫突然升高。
- 本體具有安心觸技術,有效預防燙傷意外發生。
- 有效節約水資源。
-

舒膚模式- 以大顆水珠沖洗身體。讓一天的疲憊離去,輕微的振奮感將給您全新的感受。瞭解詳情

安心觸- TOTO 獨特創新技術讓水龍頭表面維持冷卻狀態,當不小心觸碰到淋浴用單槍龍頭時,安心觸能夠有效地預防燙傷。瞭解詳情

SMA控溫技術- TOTO 記憶合金線圈能更即時的偵測水溫變化,對熱水的反應時間相較一般蠟製線圈,約達6倍快的速度 (一般家庭用水比較效果)。瞭解詳情
TOTO沐浴龍頭尺寸圖











