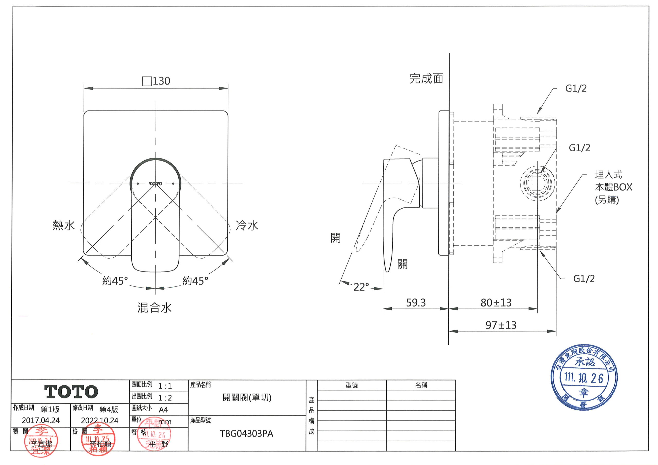
系列名稱 GA
產品型號 TBG04303PA
相關商品
通用埋壁盒 TBN01001P
- 備 註#PN、#BN、#PFG、#BFG、#PBR、#BBR、#MBL $16,300
- 備 註#PN、#BN、#PFG、#BFG、#PBR、#BBR為期貨品

高耐久陶瓷心- 獨特的高耐久陶瓷心,它能隨著碰觸開關時啟動,讓使用感受更加輕鬆流暢!透過這樣一個細微設計,影響使用的舒適感受。瞭解詳情

通用埋壁盒- 通用埋壁盒能大幅增加埋壁式淋浴組在安裝上的靈活度,統一內嵌式水龍頭的外型尺寸,打造衛浴空間的平衡與美觀。瞭解詳情
TOTO沐浴龍頭尺寸圖













