系列名稱 GC
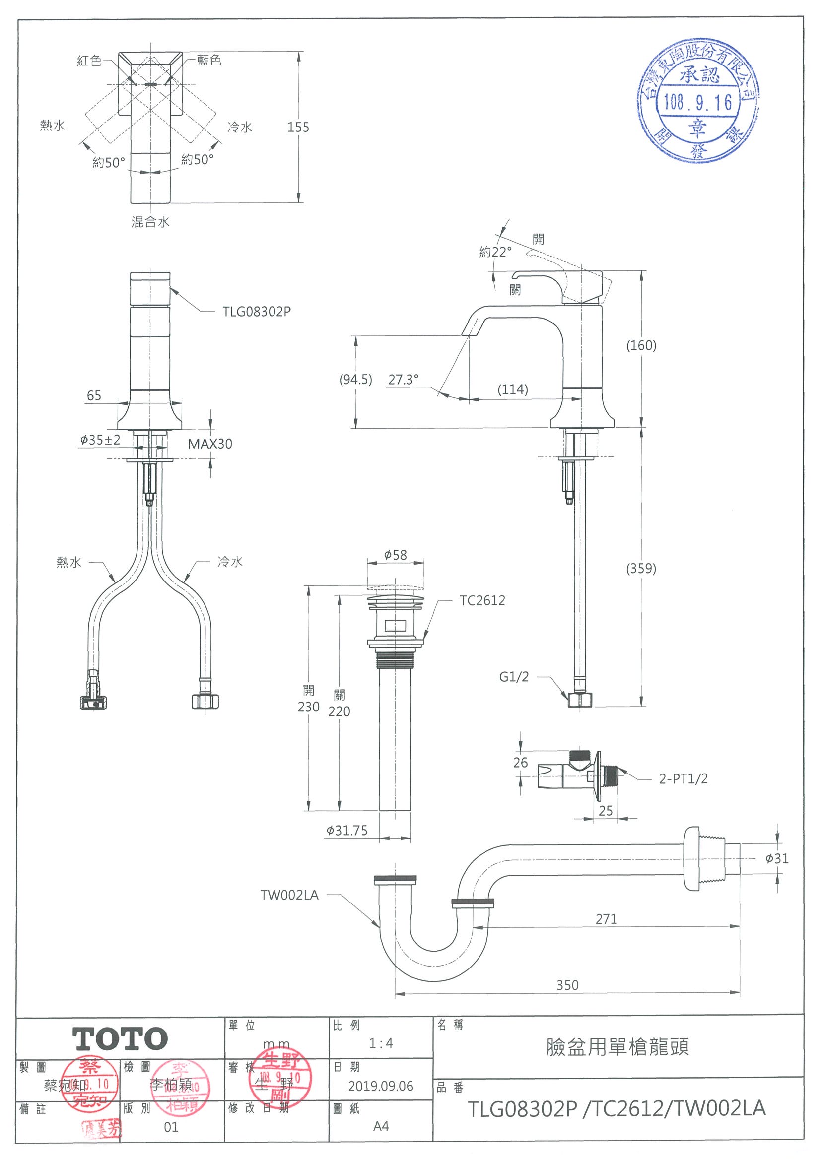
產品型號 TLG08302P
- 備 註附按壓式排水零件

高耐久陶瓷心- 獨特的高耐久陶瓷心,它能隨著碰觸開關時啟動,讓使用感受更加輕鬆流暢!透過這樣一個細微設計,影響使用的舒適感受。瞭解詳情
- Red Dot 國際設計大獎
- 擁有50年悠久歷史,是世界上規模最大,水準最高的設計獎之一。紅點獎是傑出設計的標誌,是設計界中的奧斯卡,所有獲得紅點獎的設計概念都由國際設計專家評審團裁決評出。瞭解詳情
- 普級省水標章
- 經濟部水利署為鼓勵消費者選用省水產品,落實全民效率節水並促進業界研發省水器材,符合規格之產品即頒發省水標章使用證書。瞭解詳情

- 無鉛標章
- 符合CNS8088「水龍頭」國家標準之飲水用水龍頭瞭解詳情
TOTO面盆龍頭尺寸圖











