日本第一の衛浴品牌
生活需要美學,你的浴廁空間更需要精心營造!
TOTO的工藝巧思,讓您在一天最舒服的時刻,感受它的魅力。
系列名稱G相關
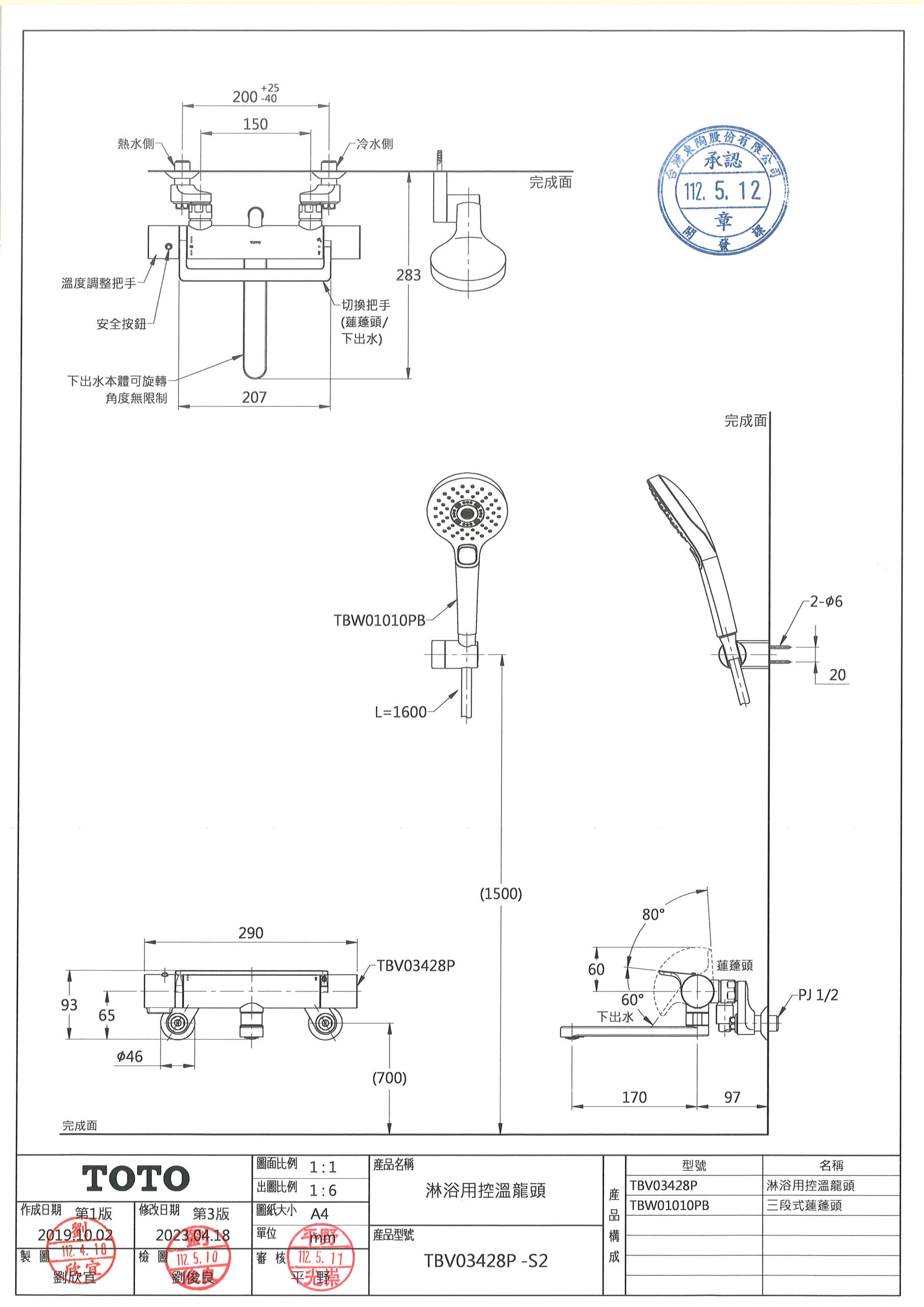
產品型號TBV03428P-S2
- 備 註搭配三段式蓮蓬頭
- 備 註蓮蓬頭取得省水標章

舒膚模式- 以大顆水珠沖洗身體。讓一天的疲憊離去,輕微的振奮感將給您全新的感受。瞭解詳情

醒膚模式- 醒膚模式利用全新的出水口設計,讓飽滿的水珠集中釋放。帶來比舒膚模式更具活力與振奮感的淋浴體驗。瞭解詳情

安心觸- TOTO 獨特創新技術讓水龍頭表面維持冷卻狀態,當不小心觸碰到淋浴用單槍龍頭時,安心觸能夠有效地預防燙傷。瞭解詳情

SMA控溫技術- TOTO 記憶合金線圈能更即時的偵測水溫變化,對熱水的反應時間相較一般蠟製線圈,約達6倍快的速度 (一般家庭用水比較效果)。瞭解詳情
TOTO 沐浴龍頭 TBV03428P-S1 尺寸圖










